ARO® PRO系列 3英寸金属气动隔膜泵是一款理想的流体处理设备,适用于工业应用。以下是关于该泵的详细信息:
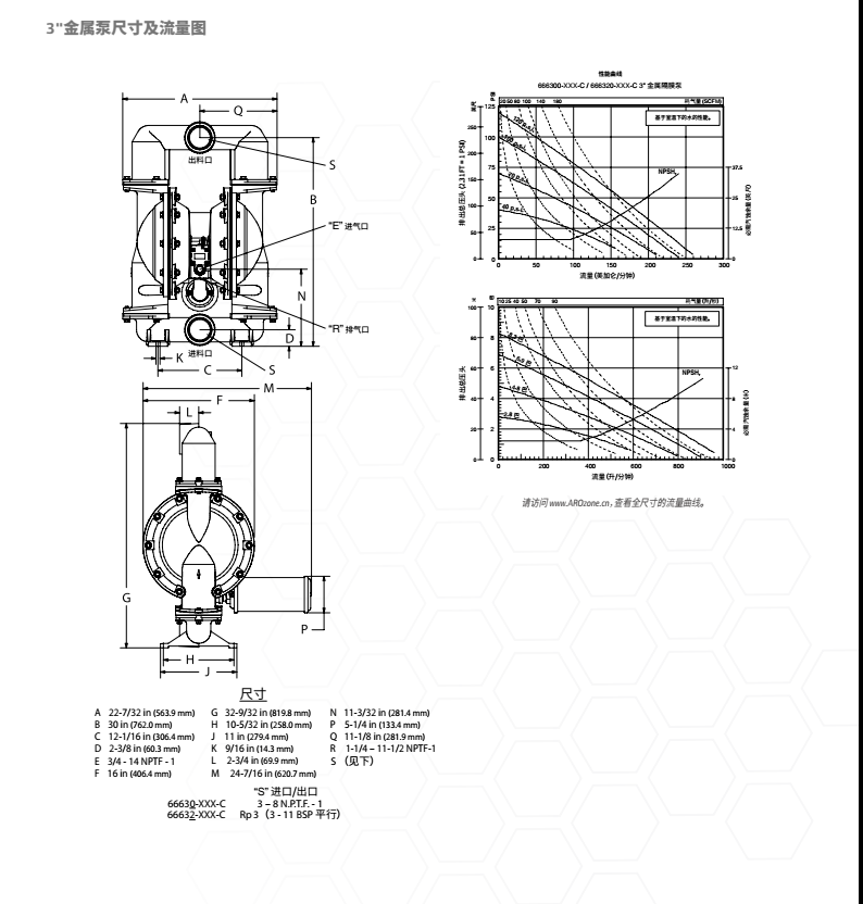
最大流量:237 GPM(897 LPM)
最大工作压力:120 psi(8.3 bar)
进液口/出液口:3英寸 - 8 NPTF - 1 Rp 3(3英寸 - 11 BSP,平行)
泵体材质:铝合金、不锈钢、铸铁
最大悬浮固体直径:3/8英寸(9.5毫米)
最大干吸高度:17.6英尺(5.4米)

ARO® PRO系列金属隔膜泵具有以下特点:
高效性:气马达设计确保极佳的空气运行效率。
可靠性:不平衡气阀设计可确保无停机。
多功能性:提供铝合金、铸铁和不锈钢多种泵材质,满足不同应用需求。
环保:螺栓结构可避免在运送流体时出现泄漏。
易维护性:模块化设计便于维修和修理。
此外,您还可以了解更多关于ARO® PRO系列金属电动隔膜泵的信息。该电动泵具有真正的空载保护和内置泄漏检测功能,可确保高效、可靠的流体输送。
泵体材质
铝合金
铸铁
不锈钢
膜片材质
聚四氟乙烯/山道橡胶(背膜)
杜邦聚酯弹性体
山道橡胶
丁腈橡胶
配件
66312 空气管路连接套件:包含背负式过滤器/调节器、管接头和5’软管节
66975 循环计数器套件
637434 空气段维修套件
637433-XX 流体段维修套件
尺寸以及流量图




